Bitte aktivieren Sie Javascript in Ihrem Browser und laden Sie die Seite erneut!
Wir nutzen die neusten Technologien um Ihnen das beste Einkaufserlebnis zu bieten.
Ihr Warenkorb ist leer!
English Deutsch
Willkommen Besucher

Sie benutzen einen veralteten Browser!

Wir nutzen die neusten Technologien um Ihnen das beste Einkaufserlebnis zu bieten.
Leider unterstützt Ihr Browser diese Technologien nicht.
Bitte updaten Sie Ihren Browser oder nutzen Sie einen anderen.

Klicken Sie die Close Schaltfläche um trotzdem fortzufahren

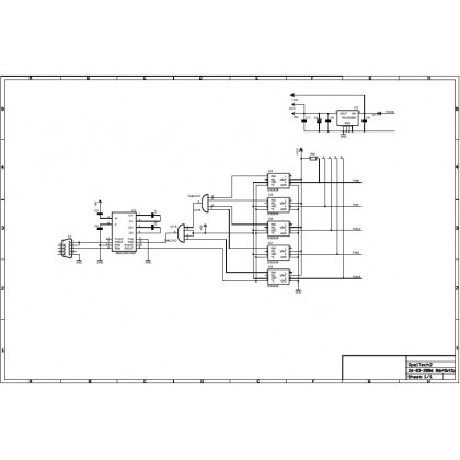
Download kostenlos - Schematic Opel-Tech2 COM Multplexer Interface

Schematic Opel-Tech2 COM Multplexer Interface
Autor: Unb.
Größe: 23,4KB
Datum: 2014-09-23
Webseite: Unb.
Softwaresprache: Verschiedene
Free Download - Schematic Opel-Tech2 COM Multplexer Interface - ID19
   - ODER -   
INFORMATION:
Dieser Download ist nur für Experimentierzwecke, Nutzung auf eigene Verantwortung.
Wir teilen alle Informationen die wir haben, bitte teilen Sie uns Ihre Erfahrungen mit oder falsche Informationen die Sie gefunden haben.

Bitte einloggen, um auf den Download zugreifen zu können, die Registrierung ist kostenlos und unverbindlich.

Das hat folgende Gründe:
1. Wir wollen sichergehen das Sie das gelesen und verstanden haben.
2. Wir können Sie über Neuigkeiten in diesem Bereich informieren.


Share(Teile) - Schematic Opel-Tech2 COM Multplexer Interface - Download:

Schaltplan Opel-Tech2 COM Multplexer Interface mit MAX232 und SI9243
Back to Top